| 品牌HSB Automation | 有效期至长期有效 | 最后更新2024-03-12 15:58 |
| 浏览次数6 |
HSB Automation HSB-delta紧凑型线性单元
我们的 HSB-delta 紧凑型线性单元是需要刚性和精确引导的应用的单元。专门开发的宽而扁平的铝型材是每个 HSB-delta 线性单元的基础。其中安装有两个平行滚珠导轨(HSB-delta 110 至 240)或具有特别宽底座的 HSB 滚柱导轨。所有界面表面的型材均经过精确重新加工,以便与滚珠导轨配合使用。
HSB-delta 线性单元目前有 5 种尺寸可供选择 - 从 HSB-delta 90 到 HSB-delta 240。为了满足不同的实际要求,这里还使用了不同的导轨和驱动变体。
应用领域:适用于轻、中等进给力,相当长的行程。对于低到中等精度,我们使用同步带作为驱动部件。它在 ZRS/ZSS 版本中用作旋转同步带。
带有旋转齿形带和型材末端驱动器的 ZRS/ZSS 版本适用于所有标准应用,具有相当固定的型材和移动滑架,可达到较大的行程距离。
型号
HSB delta 90
HSB delta 110-C
HSB delta 145-C
HSB delta 200
HSB delta 240
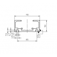
HSB delta 110-C技术参数
| 王亚辉 QQ:2353585188 手机:18519029373 电话:010-64714988-171 传真:010-84786709-667 邮件:sales12@handelsen.cn |
![]() | ![]() |
比重[kg/m]:4.32
面积尺寸 [mm² ]:1601
面积惯性矩 ly [mm4 ]:446420
面积惯性矩 lz [mm4 ]:2505144
加宽阻力矩 Wy [mm³]:13426
加宽扭矩 Wz [mm³]:44851
客服热线:






